20+ frisch Bilder Plans For Decks : Deck Plans Disney Wish The Disney Cruise Line Blog : Build your family's dream deck today!

20+ frisch Bilder Plans For Decks : Deck Plans Disney Wish The Disney Cruise Line Blog : Build your family's dream deck today!. Inspectapedia tolerates no conflicts of interest. If you have enjoyed the free project, we recommend you to share it with your friends, by using the social. Lastly, we recommend you to get the final touches done. These complimentary deck plans will undoubtedly assist you to build the deck of your desires. Free deck plans with over 30 free plans including a variety of plans for a simple deck, sundeck, elevated deck, small deck, floating deck, pergola deck and we list over 30 deck plans for you to look at.

Having some good deck plans and following the instructions you are sure to turn out a great looking deck. Give your deck plans true dimension with our virtual reality tool. Our plans follow the prescriptive construction guide from the american wood council which is based on the international residential code. Everything you need to get your project off to a great start! Every successful deck project should start with a professional set of plans.

12 Diy Floating Deck Ideas Backyard Decorating Ideas
12 Diy Floating Deck Ideas Backyard Decorating Ideas from hips.hearstapps.com
Each free deck plan will tell you which materials, products, and also tools you'll require to accumulate. These complimentary deck plans will undoubtedly assist you to build the deck of your desires. We have no relationship with advertisers, products, or services discussed at this website. There is nothing worse than planning a barbecue and having a cramped space to try to enjoy it in. Check with your zoning laws for your requirements before you start building your deck. Deck designs | deck plans. We offer both an 8.5 x 11 format (scaled to fit) or an 11 x 17 (1/4″ scale). Contains deck plan of each liner (6 sets of plans).

Having some good deck plans and following the instructions you are sure to turn out a great looking deck.

Fun cruise deck plans and complete database of staterooms and cabins. Give your deck plans true dimension with our virtual reality tool. Download free plans for building all types of decks. It is your responsibility to verify the accuracy and compliance with your local building codes and site conditions. Lastly, we recommend you to get the final touches done. Need deck plans and outdoor living inspiration to get your project started? You can either build yourself exactly the same deck with dimensions provided on our. This deck is easily scalable to make it larger or smaller. Free deck plans and building ideas from popular mechanics magazine. Free outdoor projects, including deck plans. This diy project was about deck plans free. Adding a deck of your dream to your house has never been easier and simpler. None of these free deck plans require any of your personal information and they are all completely free for you to download and use to build your very own deck.

We have no relationship with advertisers, products, or services discussed at this website. Having some good deck plans and following the instructions you are sure to turn out a great looking deck. A deck can really make your house stand out. Afterwards, apply several coats of varnish, to prevent wood decay or water damage. Spark your creativity and start your personalized design plan.

The 7 Best Free Deck Design Tools Citywide Sundecks
The 7 Best Free Deck Design Tools Citywide Sundecks from i.ytimg.com
Deck plans for decks where the highest level is 6 feet high or greater. Having some good deck plans and following the instructions you are sure to turn out a great looking deck. Then, share your detailed blueprints with a trex deck builder to bring your vision to life. Spark your creativity and start your personalized design plan. Explore deck plans built with our 3d deck design software. Download your free deck plans to start building today. Our plans are designed according to the international residential code. If you're planning to choose (or already have) a mountain or lakefront home plan, you should definitely browse the eplans collection of deck design plans.

Here are deck plans, ideas and safety hints that you can use on your new deck.

However, building a deck is a major project. Planning your first deck ca turn into a real disaster without a proper deck plan, step by step construction guide and clear vision of what you this section is dedicated to simple deck plans which are easy to realize. Then, share your detailed blueprints with a trex deck builder to bring your vision to life. Deck plans for decks where the highest level is 6 feet high or greater. Each free deck plan will tell you which materials, products, and also tools you'll require to accumulate. Fun cruise deck plans and complete database of staterooms and cabins. Pool decks are usually the area around our pool, also known as the pool patio, where you can keep chairs, tables. Pdf files can be saved to your computer, emailed or printed. Our plans are designed according to the international residential code. Every successful deck project should start with a professional set of plans. Explore deck plans built with our 3d deck design software. If you have enjoyed the free project, we recommend you to share it with your friends, by using the social. Complete deck building plans include where to save money and cut costs without compromising safety or quality.

Download and use our free 12'x16' pdf deck plan to familiarize yourself with wooden or maintenance free deck construction. We have 324,045 cruise pictures and 12,296 stateroom videos. Each free deck plan will tell you which materials, products, and also tools you'll require to accumulate. Custom deck design software, 3d outdoor living spaces. Information, sailings, fares, itineraries, map.

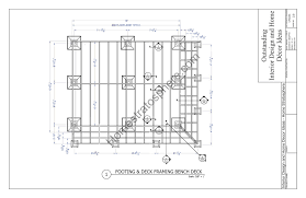
Butcher Block Bench Deck Building Plans Only At Menards
Butcher Block Bench Deck Building Plans Only At Menards from hw.menardc.com
You need to think about what type of furniture you will have, how much furniture will be. Everything you need to get your project off to a great start! Our plans are designed according to the international residential code. Post a question or comment about deck construction. Wood deck plan and design. This diy project was about deck plans free. Inspectapedia tolerates no conflicts of interest. Custom deck design software, 3d outdoor living spaces.

Deck designs | deck plans.

We have no relationship with advertisers, products, or services discussed at this website. The deck designer and related plans are to be used as an educational guide and not to be considered a finalized deck building plan. Each free deck plan will tell you which materials, products, and also tools you'll require to accumulate. Pdf files can be saved to your computer, emailed or printed. Wood deck plan and design. You need to think about what type of furniture you will have, how much furniture will be. Spark your creativity and start your personalized design plan. Free deck plans & diy deck designs | decks.com. Complete deck building plans include where to save money and cut costs without compromising safety or quality. Here are deck plans, ideas and safety hints that you can use on your new deck. Check with your zoning laws for your requirements before you start building your deck. Every successful deck project should start with a professional set of plans. We provide the most current deck plans, photos, diagrams, and details to help you find the perfect stateroom for your cruise.